看片软件免费中心
看片软件免费应用于海洋、石油、石化、船舶、电力、热力、化工、天然气、城市工程装置、钢铁等领域。
异径插入件
异径插入件

Socketweld Reducing Inserts-异径插入件

看片软件免费描述
Socketweld Reducing Inserts Specification:
Size/尺寸 1/8″~4″ (DN6~DN100)
Class/压力等级 3000 LBS, 6000 LBS, 9000 LBS
Type/连接形式 Sockeweld,承插焊
Surface Treatment/表面处理 Hot Dipped Galvanizing, Epoxy & FBE Coating, Electro Polish, Sand Blasting, Soldering热浸镀锌,环氧树脂和FBE涂层,电抛光,喷砂,发黑
Materal/材质 Stainless Steel, Alloy Steel, Duplex, Nickel Alloys, Low temperature Steel, Carbon Steel, Cupro Nickel不锈钢、合金钢、双相钢、低温钢、碳钢、镍基合金
Manufacturing process/制造工艺 Cutting, Heat treatment, Forging, Machining
锯切、热处理、模锻、机加工
Manufacturing Standards/制造标准 MSS SP-79
Socketweld Reducing Inserts Material Grades:
Stainless Steel/不锈钢 ASTM A182 F304, 304L, 316, 316L,310S, 316Ti,317L
Duplex & Super Duplex Steel/双相钢  ASTM A 182 – F51, F53, F55, S31803, S32205, S32550, S31254, SMO254, S32750, S32760, S32950.
Carbon Steel/碳钢 ASTM/ ASME A 105, ASTM/ ASME A 350 LF 2
Alloy Steel/合金钢  ASTM / ASME A 182, ASTM / ASME F5, F9, F11,F22, F 91
Copper Alloy Steel/铜合金 Copper Alloy Steel Forged Threaded 90 Deg Elbow : ASTM / ASME SB 111 UNS NO. C 10100 , C 10200 , C 10300 , C 10800 , C 12000, C 12200, C 70600 C 71500, ASTM / ASME SB 466 UNS NO. C 70600 ( CU -NI- 90/10) , C 71500 ( CU -NI- 70/30)
Nickel Alloy/镍合金  ASTM / ASME SB 336, ASTM / ASME SB 564 / 160 / 163 / 472, UNS 2200 (NICKEL 200) , UNS 2201 (NICKEL 201 ) , UNS 4400 (MONEL 400 ) , UNS 8020 ( ALLOY 20 / 20 CB 3 ) , UNS 8825 INCONEL (825) , UNS 6600 (INCONEL 600 ) , UNS 6601 (INCONEL 601) , UNS 6625 (INCONEL 625) , UNS 10276 (HASTELLOY C 276)
Socketweld Reducing Inserts Dimesions:
Socket Weld Pressure Class  Pipe Schedule
Class 3000 S80/XH
Class 6000 S160
Class 9000 XXH
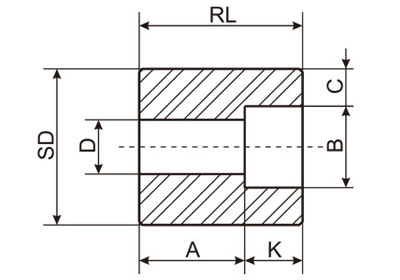
异径插入件(Type 1)结构图 异径插入件(Type 2)结构图
Nom. Type Socket Shank Laying Length Bore Wall Min. Length
Pipe Dia. Depth Dia. A D C SL RL(Min.)
Size B Min. SD      
  3000 6000   K   3000 6000 3000 6000 3000 6000 3000 6000 3000 6000
3/8"×1/4" 1 1 14.35 10 17.15 19 21 9 6.5 3.78 4.6 14 16 --- ---
1/2"×3/8" 1 1 17.78 10 21.34 21 23 12.5 9 4.01 5.03 16 16 --- ---
1/2"×1/4" 1 1 14.35 10 21.34 21 21 9 6.5 3.78 4.6 16 16 --- ---
3/4"×1/2" 1 1 21.97 10 26.67 22 25 16 11.5 4.67 5.97 17 19 --- ---
3/4"×3/8" 2 1 17.78 10 26.67 16 22 12.5 9 4.01 5.03 --- 19 27 ---
3/4"×1/4" 2 2 14.35 10 26.67 18 22 9 6.5 3.78 4.6 --- --- 27 32
1"×3/4" 1 1 27.31 13 33.4 24 28 21 15.5 4.9 6.96 19 21 --- ---
1"×1/2" 2 1 21.97 10 33.4 16 28 16 11.5 4.67 5.97 --- 21 28 ---
1"×3/8" 2 2 17.78 10 33.4 18 22 12.5 9 4.01 5.03 --- --- 28 33
1"×1/4" 2 2 14.35 10 33.4 19 24 9 6.5 3.78 4.6 --- --- 28 33
1-1/4"×1" 1 1 34.04 13 42.16 25 30 26.5 20.5 5.69 7.92 21 22 --- ---
1-1/4"×3/4" 2 2 27.31 13 42.16 18 21 21 15.5 4.9 6.96 --- --- 32 35
1-1/4"×1/2" 2 2 21.97 10 42.16 19 22 16 11.5 4.67 5.97 --- --- 32 35
1-1/4"×3/8" 2 2 17.78 10 42.16 21 24 12.5 9 4.01 5.03 --- --- 32 35
1-1/4"×1/4" 2 2 14.35 10 42.16 22 25 9 6.5 3.78 4.6 --- --- 32 35
1-1/2"×1-1/4" 1 1 42.8 13 48.26 28 35 35 29.5 6.07 7.92 22 25 --- ---
1-1/2"×1" 2 1 34.04 13 48.26 18 29 26.5 20.5 5.69 7.92   25 33  
1-1/2"×3/4" 2 2 27.31 13 48.26 19 25 21 15.5 4.9 6.96 --- --- 33 40
1-1/2"×1/2" 2 2 21.97 10 48.26 21 27 16 11.5 4.67 5.97 --- --- 33 40
1-1/2"×3/8" 2 2 17.78 10 48.26 22 28 12.5 9 4.01 5.03 --- --- 33 40
2"×1-1/2" 1 1 48.9 13 60.32 32 39 41 34 6.35 8.9 25 28 --- ---
2"×1-1/4" 2 2 42.8 13 60.32 21 24 35 29.5 6.07 7.92 --- --- 38 41
2"×1" 2 2 34.04 13 60.32 22 25 26.5 21 5.69 7.92 --- --- 38 41
2"×3/4" 2 2 27.31 13 60.32 24 27 21 15.5 4.9 6.96 --- --- 38 41
2"×1/2" 2 2 21.97 10 60.32 25 28 16 11.5 4.67 5.97 --- --- 38 41
2-1/2"×2" 1 1 61.37 16 73.02 46 43 52.5 43 6.93 10.92 32 38 --- ---
2-1/2"×1-1/2" 2 2 48.9 13 73.02 35 35 41 34 6.35 --- --- --- 54 54
2-1/2"×1-1/4" 2 2 42.8 13 73.02 37 37 35 29.5 6.07 --- --- --- 54 54
2-1/2"×1" 2 2 34.04 13 73.02 38 38 26.5 21 5.69 --- --- --- 54 54
2-1/2"×3/4" 2 2 27.31 13 73.02 40 38 21 15.5 4.9 --- --- --- 54 54
3"×2-1/2" 1 1 74.07 16 88.9 38 57 62.5 54 8.76 --- 32 45 --- ---
3"×2" 2 2 61.37 16 88.9 25 32 52.5 43 6.93 --- --- --- 48 54
3"×1-1/2" 2 2 48.9 13 88.9 29 32 41 34 6.35 --- --- --- 48 54
3"×1-1/4" 2 2 42.8 13 88.9 30 32 35 29.5 6.07 --- --- --- 48 54
3"×1" 2 2 34.04 13 88.9 32 32 26.5 21 5.69 --- --- --- 48 54
4"×3" 2 --- 90.04 16 114.3 33 --- 78 --- 9.5 --- --- --- 60 ---
4"×2-1/2" 2 --- 74.07 16 114.3 38 --- 62.5 --- 8.76 --- --- --- 60 ---
4"×2" 2 --- 61.37 16 114.3 38 --- 52.5 --- 6.93 --- --- --- 60 ---
4"×1-1/2" 2 --- 48.9 13 114.3 42 --- 41 --- 6.35 --- --- --- 60 ---
4"×1-1/4" 2 --- 42.8 13 114.3 43 --- 35 --- 6.07 --- --- --- 60 ---

 

(1) Dimensions in Millimeters.
(2) At the option of the manufacturer type 2 reducer may be furnished in type 1 configuration.
  • 联系电话- 0317-6689999  6165555 
  • 业务邮箱- 9905791@qq.com
  • 公司地址- 河北省沧州市盐山县城南工业开发区(中原管道南厂)
  • 联系手机-15530461111(微信同步)-孟经理
看片免费APP网站管道

HEBEI ZHONGRAN PIPELINE CO., LTD.

河北看片免费APP网站管道有限公司

  • 联系电话- 0317-6689999  6165555 
  • 业务邮箱- 9905791@qq.com
  • 公司地址- 河北省沧州市盐山县城南工业开发区(中原管道南厂)
  • 联系手机-15530461111(微信同步)-孟经理

版权所有:河北看片免费APP网站管道有限公司    冀ICP备83880398号-6

网站建设:中企动力  石家庄

网站地图