船用焊接套管
前 言
河北看片免费APP网站管道有限公司专业91看片网站免费:船舱套管、通舱套管、船用焊接套管、连接套管、疏排水套管、不锈钢套管厂家。
1 范围
本标准规定了船用焊接套管(简称套管)连接的分类、技术要求、检验和标志。
本标准适用于介质为海水、淡水、疏排水、燃油、空气和蒸汽等管路的套管连接。
2 规范性引用文件
GB/T8163-1999 输送流体用无缝钢管
Q/SWS50-001-2003 船用无缝钢管简选系列
3 分类
3.1 型式
套管的型式规定如下:
TA型—连接套管
TB型—通舱套管
TC型—舱壁套管
TD型—铜管保护套管
3.2 基本参数
套管基本参数见表1。
表1 套管的基本参数
|
型 式 |
公称压力 PN MPa |
公称通径 DN mm |
设计温度 ℃ |
介 质 |
|
TA TB TC |
≤1.0 |
10~600 |
≤170 |
蒸汽 |
|
≤90 |
燃油 |
|||
|
≤1.6 |
≤200 |
空气、水、液压油开式管路 |
||
|
TD |
≤1.0 |
10~50 |
≤100 |
供水系统 |
3.3 结构和基本尺寸
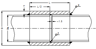
3.3.1 TA型连接套管的结构和基本尺寸按图1和表2。

图1 TA型连接套管
表2 TA型连接套管的基本尺寸
单位为毫米
|
公称 通径 DN |
管子 外径 Dw |
套 管 |
焊缝高度 |
重量 (kg) |
||
|
D |
t |
L |
K |
|||
|
10 |
14 |
22 |
3.5 |
40 |
3 |
0.10 |
|
15 |
22 |
32 |
4.5 |
4 |
0.18 |
|
|
20 |
27 |
38 |
5 |
0.20 |
||
|
25 |
34 |
48 |
6 |
50 |
5 |
0.31 |
|
32 |
42 |
57 |
6.5 |
60 |
0.49 |
|
|
40 |
48 |
63.5 |
7 |
0.59 |
||
|
50 |
60 |
76 |
80 |
6 |
0.83 |
|
|
65 |
76 |
95 |
8.5 |
100 |
7 |
1.63 |
|
80 |
89 |
114 |
11 |
120 |
8 |
2.52 |
|
100 |
114 |
140 |
12 |
140 |
9 |
3.79 |
|
125 |
140 |
168 |
13 |
160 |
10 |
5.96 |
|
150 |
168 |
203 |
16 |
200 |
11 |
11.20 |
|
200 |
219 |
254a |
250 |
13 |
19.3 |
|
|
250 |
273 |
308 b |
300 |
28.3 |
||
|
300 |
325 |
365c |
18 |
38.6 |
||
|
350 |
377 |
418d |
350 |
44.4 |
||
|
400 |
426 |
466e |
49.4 |
|||
|
450 |
480 |
520f |
14 |
65.8 |
||
|
500 |
530 |
573g |
19 |
400 |
69.1 |
|
|
600 |
630 |
674 |
20 |
80.5 |
||
|
注:a表示用钢管¢273×28机械加工成所需尺寸。 b表示用钢管¢325×25机械加工成所需尺寸。 c表示用钢管¢377×24机械加工成所需尺寸。 d表示用钢管¢426×22机械加工成所需尺寸。 e表示用钢管¢480×26机械加工成所需尺寸。 f表示用厚度18mm钢板卷制,开坡口双面焊,内孔机加工。 g表示用厚度20mm钢板卷制,开坡口双面焊,内孔机加工。 |
||||||
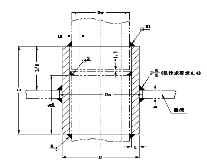
3.3.2 TB型通舱套管的结构和基本尺寸按图2和表3。

图2 TB型通舱套管
表3 TB型通舱套管的基本尺寸
单位为毫米
|
公称 通径 DN |
管子 外径 Dw |
套 管 |
开孔直径 Do |
焊缝高度 |
重量(kg) |
|||
|
D |
t |
L |
K |
K1 |
||||
|
10 |
14 |
22 |
3.5 |
80 |
24 |
3 |
3 |
0.20 |
|
15 |
22 |
32 |
4.5 |
34 |
4 |
0.29 |
||
|
20 |
27 |
38 |
5 |
40 |
4 |
0.48 |
||
|
25 |
34 |
48 |
6 |
100 |
50 |
5 |
0.60 |
|
|
32 |
42 |
57 |
6.5 |
59 |
5 |
0.96 |
||
|
40 |
48 |
63.5 |
7 |
65.5 |
1.13 |
|||
|
50 |
60 |
76 |
120 |
78 |
6 |
1.52 |
||
|
65 |
76 |
95 |
8.5 |
140 |
97 |
6 |
7 |
2.72 |
|
80 |
89 |
114 |
11 |
160 |
116 |
8 |
8 |
4.20 |
|
100 |
114 |
140 |
12 |
180 |
142 |
9 |
9 |
5.69 |
|
125 |
140 |
168 |
13 |
200 |
170 |
10 |
7.45 |
|
|
150 |
168 |
203 |
16 |
250 |
206 |
10 |
11 |
14.5 |
|
200 |
219 |
254a |
300 |
257 |
12 |
13 |
21.3 |
|
|
250 |
273 |
308b |
350 |
311 |
26.1 |
|||
|
300 |
325 |
365c |
18 |
368 |
38.5 |
|||
|
350 |
377 |
418d |
400 |
422 |
43.2 |
|||
表3(续) TB型通舱套管的基本尺寸
单位为毫米
|
公称 通径 DN |
管子 外径 Dw |
套 管 |
开孔直径 Do |
焊缝高度 |
重量(kg) |
|||
|
D |
t |
L |
K |
K1 |
||||
|
400 |
426 |
466e |
18 |
400 |
469 |
12 |
13 |
59.3 |
|
450 |
480 |
520f |
18 |
450 |
524 |
92.0 |
||
|
500 |
530 |
573 |
19 |
577 |
105.7 |
|||
|
600 |
630 |
674 |
20 |
500 |
678 |
14 |
15 |
120.8 |
|
注:a 表示用钢管¢273×28机械加工成所需尺寸。 b表示用钢管¢325×25机械加工成所需尺寸。 c 表示用钢管¢377×24机械加工成所需尺寸。 d 表示用钢管¢426×22机械加工成所需尺寸。 e 表示用钢管¢480×26机械加工成所需尺寸。 f 表示用厚度18mm钢板卷制,开坡口双面焊,内孔机加工。 g 表示用厚度20mm钢板卷制,开坡口双面焊,内孔机加工。 |
||||||||
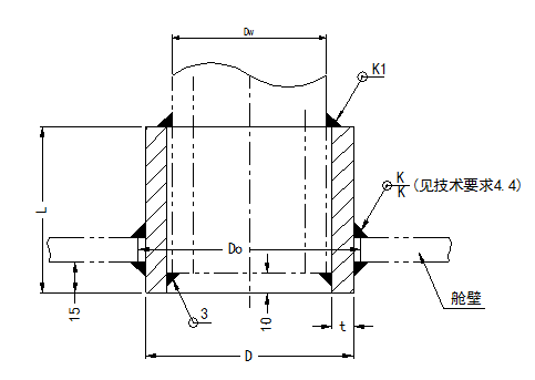
3.3.3 TC型舱壁套管的结构和基本尺寸按图3和表4。

图3 TC型舱壁套管
表4 TC型舱壁套管基本尺寸
单位为毫米
|
公称 通径 DN |
管子 外径 Dw |
套 管 |
开孔直径 Do |
焊缝高度 |
重量(kg) |
|||
|
D |
t |
L |
K |
K1 |
||||
|
10 |
14 |
22 |
3.5 |
60 |
24 |
3 |
3 |
0.20 |
|
15 |
22 |
32 |
4.5 |
34 |
4 |
0.29 |
||
|
20 |
27 |
38 |
5 |
40 |
4 |
0.32 |
||
|
25 |
34 |
48 |
6 |
80 |
50 |
5 |
0.4 |
|
|
32 |
42 |
57 |
6.5 |
59 |
5 |
0.64 |
||
|
40 |
48 |
63.5 |
7 |
65.5 |
0.75 |
|||
|
50 |
60 |
76 |
100 |
78 |
6 |
1.01 |
||
|
65 |
76 |
95 |
8.5 |
97 |
6 |
7 |
1.45 |
|
|
80 |
89 |
114 |
11 |
116 |
8 |
8 |
2.24 |
|
|
100 |
114 |
140 |
12 |
120 |
142 |
9 |
9 |
3.03 |
|
125 |
140 |
168 |
13 |
170 |
10 |
3.97 |
||
|
150 |
168 |
203 |
16 |
150 |
206 |
10 |
11 |
5.80 |
|
200 |
219 |
254a |
257 |
12 |
13 |
8.52 |
||
|
250 |
273 |
308b |
200 |
311 |
10.4 |
|||
|
300 |
325 |
365c |
18 |
368 |
12.3 |
|||
|
350 |
377 |
418d |
422 |
13.8 |
||||
|
400 |
426 |
466e |
469 |
15.8 |
||||
|
450 |
480 |
520f |
250 |
524 |
20.0 |
|||
|
500 |
530 |
573g |
19 |
577 |
21.8 |
|||
|
600 |
630 |
674 |
20 |
300 |
678 |
14 |
15 |
23.2 |
|
注:a 表示用钢管¢273×28机械加工成所需尺寸。 b表示用钢管¢325×25机械加工成所需尺寸。 c 表示用钢管¢377×24机械加工成所需尺寸。 d 表示用钢管¢426×22机械加工成所需尺寸。 e 表示用钢管¢480×26机械加工成所需尺寸。 f 表示用厚度18mm钢板卷制,开坡口双面焊,内孔机加工。 g 表示用厚度20mm钢板卷制,开坡口双面焊,内孔机加工。 |
||||||||
3.3.4 TD型铜管保护套管的结构和基本尺寸按图4和表5。

图4 TD型铜管保护套管
表5 TD型铜管保护套管的基本尺寸
单位为毫米
|
公称 通径 DN |
管子 外径 Dw |
套 管 |
开孔直径 Do |
间隙 S |
焊缝高度 K |
重量(kg) |
||
|
D |
t |
L |
||||||
|
15 |
20 |
34 |
5 |
100 |
37 |
4 |
5 |
0.32 |
|
20 |
25 |
38 |
41 |
3 |
0.37 |
|||
|
25 |
30 |
48 |
6 |
51 |
6 |
0.56 |
||
|
32 |
35 |
4.5 |
4 |
0.44 |
||||
|
40 |
45 |
60 |
6 |
63 |
3 |
0.72 |
||
|
50 |
55 |
76 |
7 |
79 |
7 |
1.06 |
||
3.4 标记示例
套管外径D=76mm,壁厚t=7mm的连接套管标记为:
套管 TA76×7 Q/SWS 34-010-2003
套管外径D=230mm,壁厚t=16mm的通舱套管标记为:
套管 TB230×16 Q/SWS 34-010-2003
套管外径D=48mm,壁厚t=5mm的舱壁套管标记为:
套管 TC48×5 Q/SWS 34-010-2003
4 技术要求
4.1 管件中套管材料为10号或20号无缝钢管,规格选用按Q/SWS 42-001-2003《船用无缝钢管简选系列》和GB8163-87《输送流体用无缝钢管》。
4.2 用于非油类介质时应镀锌。
4.3 管件穿过的舱壁厚度过大,应根据规范决定本标准是否需要加强。
4.4 管件无法双面焊时,可用不留根坡口单面焊。当舱壁厚度b≤k时,则取k=b。
5 检验
5.1 套管由制造厂技术检查部门验收,并出具合格证书。
5.2 验收内容包括材料说明书,尺寸和外观。
6 标志
焊接套管应在其表面上打印下列标志:
- a. 型号和标准号;
- b.检验合格印章。
- 联系电话- 0317-6689999 6165555
- 业务邮箱- 9905791@qq.com
- 公司地址- 河北省沧州市盐山县城南工业开发区(中原管道南厂)
- 联系手机-15530461111(微信同步)-孟经理
- 联系电话- 0317-6689999 6165555
- 业务邮箱- 9905791@qq.com
- 公司地址- 河北省沧州市盐山县城南工业开发区(中原管道南厂)
- 联系手机-15530461111(微信同步)-孟经理
版权所有:河北看片免费APP网站管道有限公司 冀ICP备83880398号-6
热线:0317-6165555
9905791@qq.com