资质文件
坚持以科技为先导,以创新求发展,以质量求生存

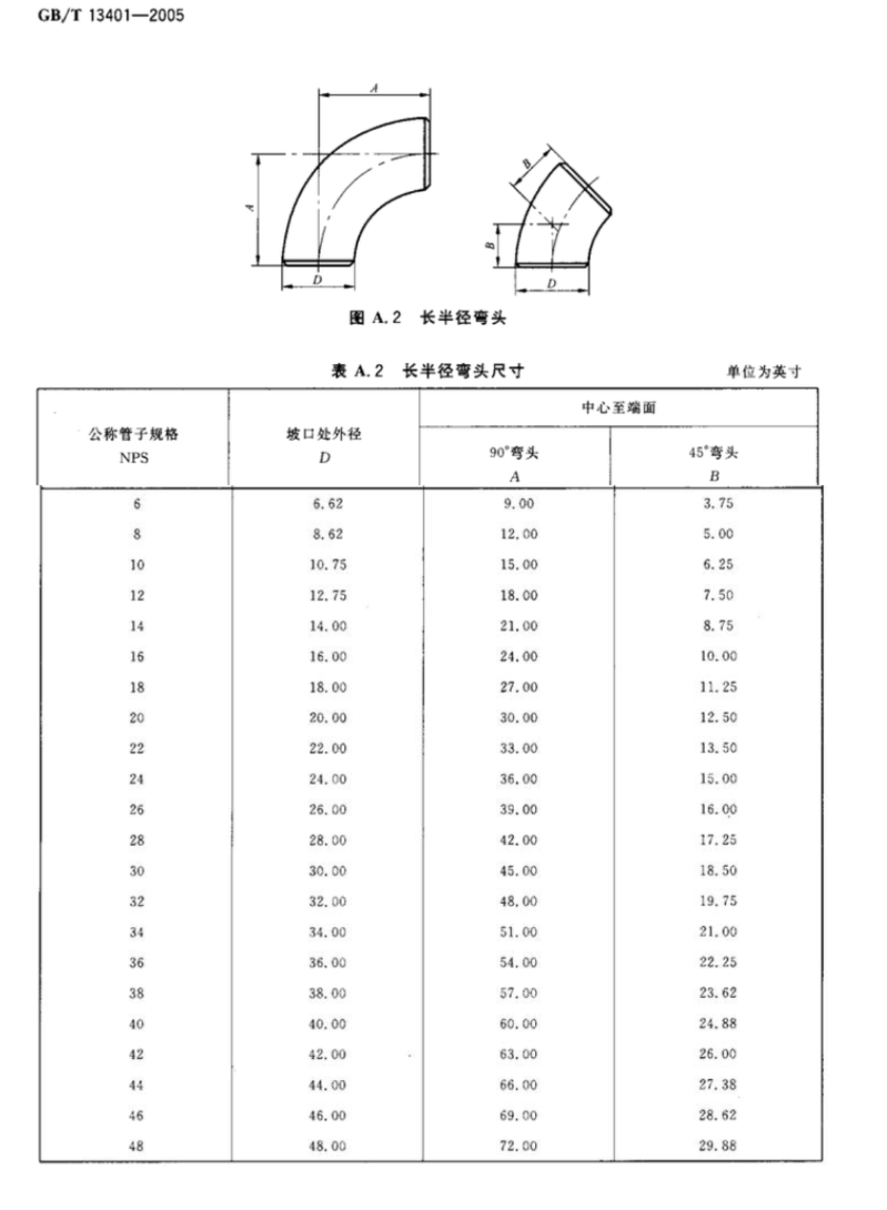
焊接弯头标准GB-T13401

  • 分类:看片软件免费资料
  • 作者:看片免费APP网站管道
  • 来源:河北看片免费APP网站管道有限公司
  • 发布时间:2021-12-20
  • 访问量:262

【概要描述】

焊接弯头标准GB-T13401

【概要描述】

  • 分类:看片软件免费资料
  • 作者:看片免费APP网站管道
  • 来源:河北看片免费APP网站管道有限公司
  • 发布时间:2021-12-20
  • 访问量:262
详情

扫二维码用手机看

  • 联系电话- 0317-6689999  6165555 
  • 业务邮箱- 9905791@qq.com
  • 公司地址- 河北省沧州市盐山县城南工业开发区(中原管道南厂)
  • 联系手机-15530461111(微信同步)-孟经理
看片免费APP网站管道

HEBEI ZHONGRAN PIPELINE CO., LTD.

河北看片免费APP网站管道有限公司

  • 联系电话- 0317-6689999  6165555 
  • 业务邮箱- 9905791@qq.com
  • 公司地址- 河北省沧州市盐山县城南工业开发区(中原管道南厂)
  • 联系手机-15530461111(微信同步)-孟经理

版权所有:河北看片免费APP网站管道有限公司    冀ICP备83880398号-6

网站建设:中企动力  石家庄

网站地图